Skip to content
Toggle menu
Search for:
Our products
Our products
Search products
Where to buy
Optocouplers
Optoswitches
Solid State Relays (SSR)
Isolated Gate Drivers
New product releases
Change-Notes (CCNs)
Company
Company
About us
News
Contact us
Our products
Our products
Search all products
Optocouplers
Optoswitches
Solid State Relays
Isolated Gate Drivers
New product releases
Controlled Change-Notes
Where to buy
About Isocom
News
Contact us
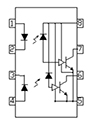
ICPL0631 8 Pin High Speed SOIC
Category:
Optocouplers
Schematics
Data sheets
DC93175-ICPL0630_0631
Find a distributor